UETB207 Bearing | 35mm 2-Bolt Tapped Base Bearing
UETB207 Bearing Dimensions

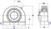
- Part #: UETB 207
- Shaft Diameter (d): 35mm
- Dimension (H): 47.6mm
- Dimension (A): 108.0mm
- Dimension (E): 82.6mm
- Dimension (B): 48.0mm
- Dimension (R): 19.0mm
- Dimension (G): 13.0mm
- Dimension (W): 95.0mm
- Dimension (Bi): 43.9mm
- Dimension (N): 17.5mm
- Dimension (M): 25.4mm
- Bolt Used: 1/2-13
- Dynamic Load Rating (kN): 25.69
- Static Load Rating (kN): 15.56
- Bearing Insert: UE 207
- Housing Number: TB 207
- Weight (kg): 1.8
- Part #: UETB 207
- Shaft Diameter (d): 35mm
- Dimension (H): 47.6mm
- Dimension (A): 108.0mm
- Dimension (E): 82.6mm
- Dimension (B): 48.0mm
- Dimension (R): 19.0mm
- Dimension (G): 13.0mm
- Dimension (W): 95.0mm
- Dimension (Bi): 43.9mm
- Dimension (N): 17.5mm
- Dimension (M): 25.4mm
- Bolt Used: 1/2-13
- Dynamic Load Rating (kN): 25.69
- Static Load Rating (kN): 15.56
- Bearing Insert: UE 207
- Housing Number: TB 207
- Weight (kg): 1.8