

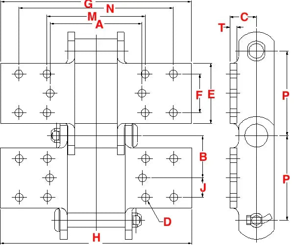
Attachment Type: SS856 K6 Pitch: 6.00" Dimension (A): 6.56" Dimension (B): 3.00" Dimension (C): 1.88" Bolt Diameter (D): 0.50" Hole Diameter (D): 0.56" Dimension (E): 4.25" Dimension (F): 2.75" Dimension (G): 13.50" Dimension (H): 13.56" Dimension (J): 1.38" Dimension (M): 6.94" Dimension (N): 10.94" Dimension (T): 0.50" Weight Per Foot: 27.3 LBS
Email:
Feature
High Quality Attachment Can Be Assembled In Any Configuration Extremely Durable High Resistance to Abrasion Ultra High Strength
Attachment Type: SS856 K6 Pitch: 6.00" Dimension (A): 6.56" Dimension (B): 3.00" Dimension (C): 1.88" Bolt Diameter (D): 0.50" Hole Diameter (D): 0.56" Dimension (E): 4.25" Dimension (F): 2.75" Dimension (G): 13.50" Dimension (H): 13.56" Dimension (J): 1.38" Dimension (M): 6.94" Dimension (N): 10.94" Dimension (T): 0.50" Weight Per Foot: 27.3 LBS