Specialty Chain > Engineering Class Chains > Roller Conveyor Chain > MSR1539 Roller Chain
MSR1539 A2 Attachment
Login to Request a Quote

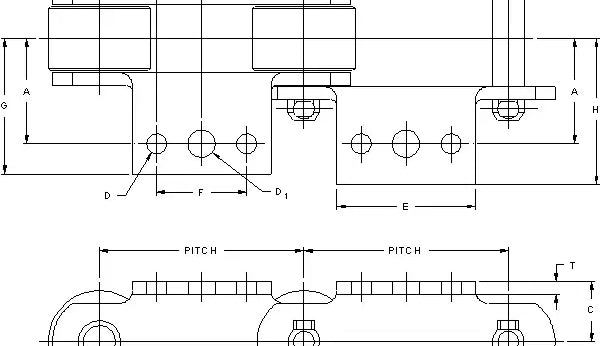
Attachment #: MSR1539-A2 Pitch: 3.075" Dimension (A): 2.00" Dimension (B): 0.59" Dimension (C): 1.25" Bolt Diameter (D): 0.31" Hole Diameter (D): 0.34" Dimension (E): 2.750" Dimension (F): 1.88" Dimension (G): 2.50" Dimension (H): 2.59" Dimension (T): 0.31" Weight: 8.0 LBS/ FT
Email:
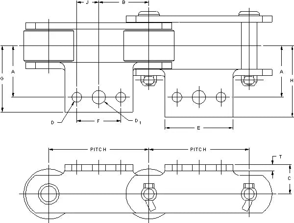
Attachment #: MSR1539-A2 Pitch: 3.075" Dimension (A): 2.00" Dimension (B): 0.59" Dimension (C): 1.25" Bolt Diameter (D): 0.31" Hole Diameter (D): 0.34" Dimension (E): 2.750" Dimension (F): 1.88" Dimension (G): 2.50" Dimension (H): 2.59" Dimension (T): 0.31" Weight: 8.0 LBS/ FT