By Application > Agricultural Products > S-Type Chains
S55HF2 Attachment
Login to Request a Quote
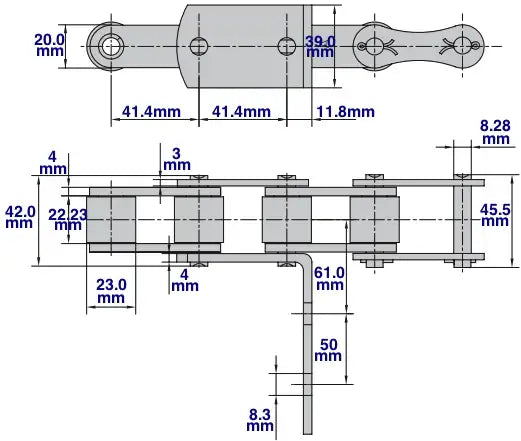
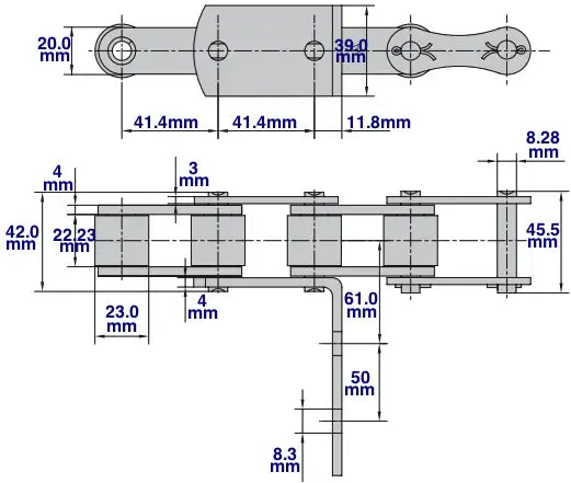
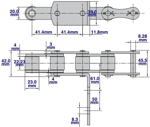
S55HF2 Attachment Dimensions

- Dimension (P): 41.4mm
- Dimension (d1): 23.0mm
- Dimension (b1): 22.23mm
- Dimension (d2): 8.28mm
- Dimension (L): 42.0mm
- Dimension (Lc): 45.5mm
- Dimension (h2): 20.0mm
- Dimension (t): 4.0mm
- Dimension (T): 3.0mm
- Dimension (A): 39.0mm
- Dimension (B): 50mm
- Dimension (F): 61.0mm
- Dimension (h4): 11.8mm
- Dimension (d4): 8.3mm
- Dimension (P): 41.4mm
- Dimension (d1): 23.0mm
- Dimension (b1): 22.23mm
- Dimension (d2): 8.28mm
- Dimension (L): 42.0mm
- Dimension (Lc): 45.5mm
- Dimension (h2): 20.0mm
- Dimension (t): 4.0mm
- Dimension (T): 3.0mm
- Dimension (A): 39.0mm
- Dimension (B): 50mm
- Dimension (F): 61.0mm
- Dimension (h4): 11.8mm
- Dimension (d4): 8.3mm