Specialty Chain > Engineering Class Chains > Roller Conveyor Chain > MSR996 Roller Chain
MSR996 K2 Attachment
Login to Request a Quote

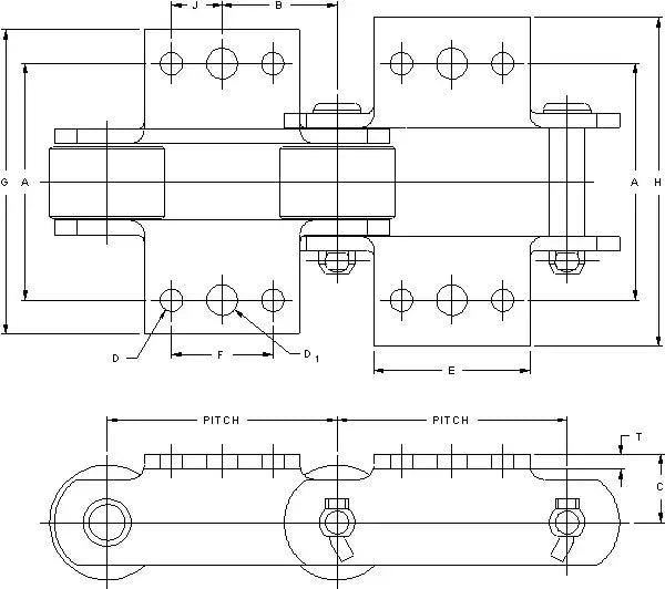
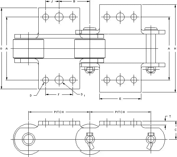
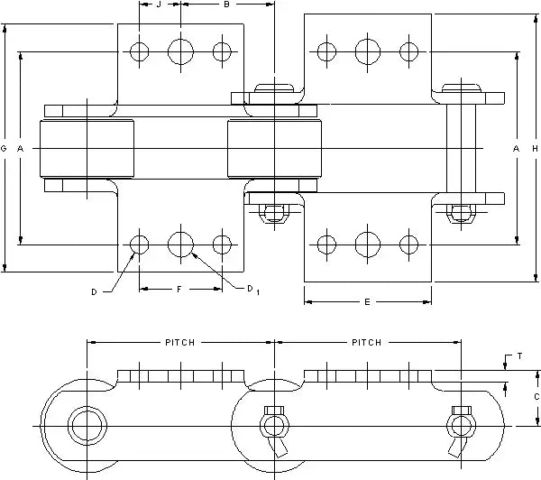
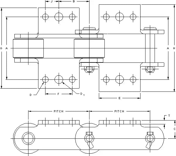
Attachment #: MSR996-K2 Pitch: 6.00" Dimension (A): 4.38" Dimension (B): 1.50" Dimension (C): 1.62" Bolt Diameter (D): 0.50" Hole Diameter (D): 0.56" Dimension (E): 5.38" Dimension (F): 3.00" Dimension (G): 6.00" Dimension (H): 5.81" Dimension (T): 0.38" Weight: 15.8 LBS/ FT
Email:
Attachment #: MSR996-K2 Pitch: 6.00" Dimension (A): 4.38" Dimension (B): 1.50" Dimension (C): 1.62" Bolt Diameter (D): 0.50" Hole Diameter (D): 0.56" Dimension (E): 5.38" Dimension (F): 3.00" Dimension (G): 6.00" Dimension (H): 5.81" Dimension (T): 0.38" Weight: 15.8 LBS/ FT