Specialty Chain > Engineering Class Chains > Roller Conveyor Chain > MSR4019 Roller Chain
MSR4019 K2 Attachment
Login to Request a Quote

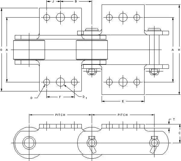
Attachment #: MSR4019-K2 Pitch: 4.00" Dimension (A): 2.75" Dimension (B): 2.00" Dimension (C): 0.88" Bolt Diameter (D): 0.38" Hole Diameter (D): 0.41" Bolt Diameter (D1): 0.38" Hole Diameter (D1): 0.41" Dimension (E): 2.50" Dimension (F): 1.50" Dimension (G): 3.75" Dimension (H): 3.81" Dimension (J): 0.25" Dimension (T): 0.25" Weight: 5.3 LBS/ FT
Email:
Attachment #: MSR4019-K2 Pitch: 4.00" Dimension (A): 2.75" Dimension (B): 2.00" Dimension (C): 0.88" Bolt Diameter (D): 0.38" Hole Diameter (D): 0.41" Bolt Diameter (D1): 0.38" Hole Diameter (D1): 0.41" Dimension (E): 2.50" Dimension (F): 1.50" Dimension (G): 3.75" Dimension (H): 3.81" Dimension (J): 0.25" Dimension (T): 0.25" Weight: 5.3 LBS/ FT