By Application > Mining Chain & Sprockets > Mining Feeder Breaker Chain
D3905 Buffalo Feeder Breaker Chain | D3905 Chain
Login to Request a Quote
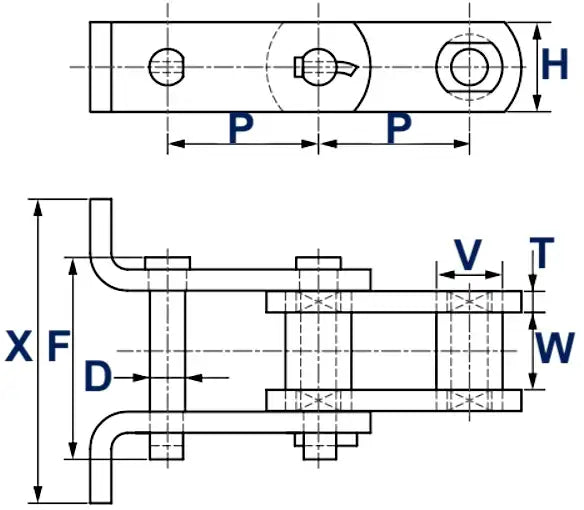
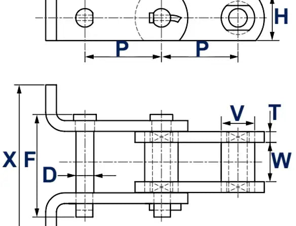
D3905 Chain Dimensions

- Chain Size: D3905
- Pitch (P): 4.00"
- Dimension (W): 0.938"
- Dimension (V): 1.750"
- Dimension (H): 2.375"
- Dimension (T): 0.560"
- Dimension (D): 0.940"
- Dimension (F): 5.375"
- Dimension (X): 8.000"
- Average Ultimate Strength: 144,500 LBS
- Rated Working Load: 16,000 LBS
- Weight: 11.18 LBS/ Ft
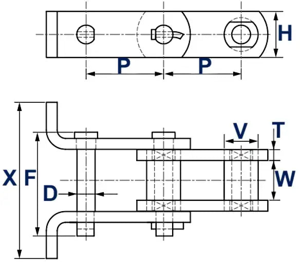
- Chain Size: D3905
- Pitch (P): 4.00"
- Dimension (W): 0.938"
- Dimension (V): 1.750"
- Dimension (H): 2.375"
- Dimension (T): 0.560"
- Dimension (D): 0.940"
- Dimension (F): 5.375"
- Dimension (X): 8.000"
- Average Ultimate Strength: 144,500 LBS
- Rated Working Load: 16,000 LBS
- Weight: 11.18 LBS/ Ft