By Application > Wastewater Products > Wastewater Chain
B5883 Chain | Traveling water screen chain
Login to Request a Quote
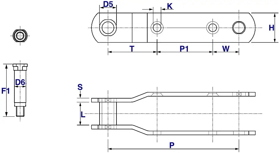
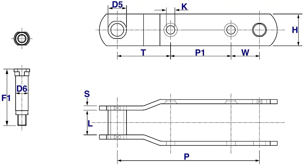
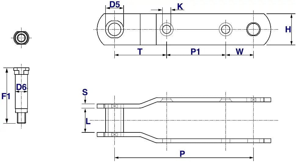
B5883 Chain Dimensions

- Chain Size: B5883
- Pitch (P): 200.00mm
- Bushing diameter (D5): 18.00mm
- Pin Diameter (D6): 11.80mm
- Distance Between Plates (L): 28.00mm
- Sidebar Height (H): 35.00mm
- Sidebar Thickness (S): 5.00mm
- Overall Width (F1): 66.00mm
- Dimension (K): 12.00mm
- Dimension (T): 75.00mm
- Dimension (P1): 85.00mm
- Dimension (W): 40.00mm
- Tensile Strength: 24,000 LBS
- Weight: 2.80 LBS/ FT
- Sprockets
- Bearings
- Gear Boxes/ Reducers
- Motors/ Drives
- Pumps & Seals
- Flights, Flight Boards, & Flight Monitoring
- Sensors
- Helical Scum Skimmers
- Wear Strips, Wear Shoes, Filler Blocks
- Static Sleeves & Wall Bearings
- Chain Size: B5883
- Pitch (P): 200.00mm
- Bushing diameter (D5): 18.00mm
- Pin Diameter (D6): 11.80mm
- Distance Between Plates (L): 28.00mm
- Sidebar Height (H): 35.00mm
- Sidebar Thickness (S): 5.00mm
- Overall Width (F1): 66.00mm
- Dimension (K): 12.00mm
- Dimension (T): 75.00mm
- Dimension (P1): 85.00mm
- Dimension (W): 40.00mm
- Tensile Strength: 24,000 LBS
- Weight: 2.80 LBS/ FT